Walvoil
VOSL/V1516 Series
VOSL/V1516 Series
SKU: VOSL/V1516-12/G5.P4AC
- Regular price
- Price: $645.00
- Regular price
- List Price:
- Sale price
- Price: $645.00
- Unit price
- / per
Sale
Sold out
5% off all orders over $1000 | Ends:
No reviews
Couldn't load pickup availability
Share

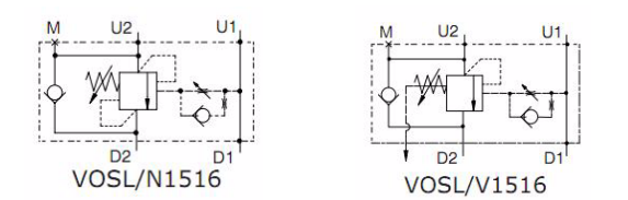
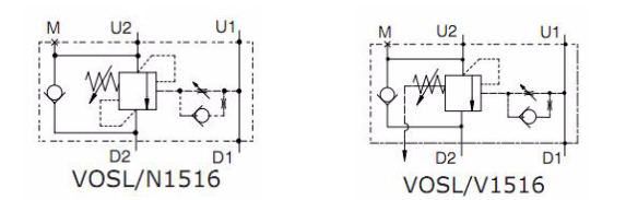
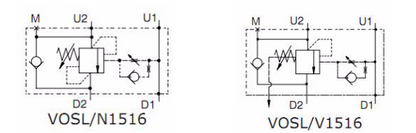
SINGLE COUNTER-BALANCE VALVES c/w SIGNAL RESTRICTOR
VOSL/V1516 Series
Steel body
The 1516 series is built with zinc-plated steel bodies to ensure a top level of strength and durability, these valves can reach a work pressure of 400 bar. All valves in the range are equipped with pilot signal restrictors to ensure smooth and safe operation in every load handling application
V1516 series - As per N1516 but has the spring chamber isolated from system back pressure by a seal and vented to atmosphere. Ideal for use with closed centre spools


