Walvoil
VOSL/SC/CC Series
VOSL/SC/CC Series
SKU: VOSL/SC/CC-38/TR.S.P4
- Regular price
- Price: $317.00
- Regular price
- List Price:
- Sale price
- Price: $317.00
- Unit price
- / per
Sale
Sold out
5% off all orders over $1000 | Ends:
No reviews
Couldn't load pickup availability
Share

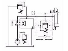
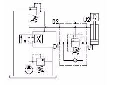
VOSL/SC/CC Series Aluminium body - Steel bodied units available on request - add suffix AC This valve controls a moving load preventing it from moving ahead of the pump and locks the load in any position on U1. It permits free flow from D1 to U1 and blocks the flow from U1 to D1 until a pilot pressure generated at D2/U2 is sufficient to pilot the U1 port open. It utilised in combination with a closed centre valve. It is recommended to fit a port relief in this application.




