Walvoil
VDSRL Sequence Valves
VDSRL Sequence Valves
SKU: VDSRL/03-14/TS.S
- Regular price
- Price: $191.00
- Regular price
- List Price:
- Sale price
- Price: $191.00
- Unit price
- / per
Sale
Sold out
5% off all orders over $1000 | Ends:
No reviews
Couldn't load pickup availability
Share

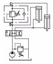
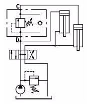
VDSRL Series Sequence valves direct acting guided poppet type. It allows flow from D to C when the pressure in D achieves the spring setting. Should there be pressure in C then the opening pressure at D will be the same as the spring setting pressure plus the pressure in C. Flow from C to D is free via a check valve. Aluminium body - Steel bodied units available on request - add suffix AC Various pressure range option available. Refer to Technical specification. Port: 1/4" BSPP to 3/4" BSPP




