Bucher Hydraulics
Proportional PWM Driver
Proportional PWM Driver
SKU: PWM-1400-12
- Regular price
- Price: $487.00
- Regular price
- List Price:
- Sale price
- Price: $487.00
- Unit price
- / per
Sale
Sold out
5% off all orders over $1000 | Ends:
No reviews
Couldn't load pickup availability
Share

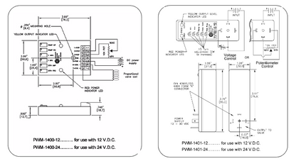
PROPORTIONAL PWM VALVE DRIVER

