OFC
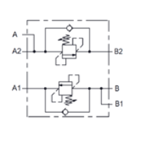
DSV Series Dual Sequence Valve
DSV Series Dual Sequence Valve
SKU: DSV0220SF
- Regular price
- Price: $937.00
- Regular price
- List Price:
- Sale price
- Price: $937.00
- Unit price
- / per
Sale
Sold out
5% off all orders over $1000 | Ends:
No reviews
Couldn't load pickup availability
Share

DSV Series dual sequence valve – manufactured in Italy.


