Oleoweb
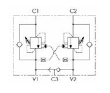
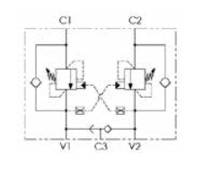
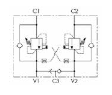
DCVB Dual Counter Balance Valve
DCVB Dual Counter Balance Valve
SKU: DCVB1201S
- Regular price
- Price: $572.00
- Regular price
- List Price:
- Sale price
- Price: $572.00
- Unit price
- / per
Sale
Sold out
5% off all orders over $1000 | Ends:
No reviews
Couldn't load pickup availability
Share
PRODUCT DESCRIPTION
Dual counter balance valves for use with MP/MR series hydraulic motors.
Italian made by Oleoweb.
Part#: DCVB1201S
- Max flow rate 60 lpm
- Pressure range 30-210 bar
- A+B ports 1/2″ BSPP
- Ratio 1:4.25
- M8x50 cap screw (x4) bolts
