Southcott
Steering Valve
Steering Valve
SKU: SSM-36-133-12VDC
- Regular price
- Price: $1,062.00
- Regular price
- List Price:
- Sale price
- Price: $1,062.00
- Unit price
- / per
Couldn't load pickup availability
Share

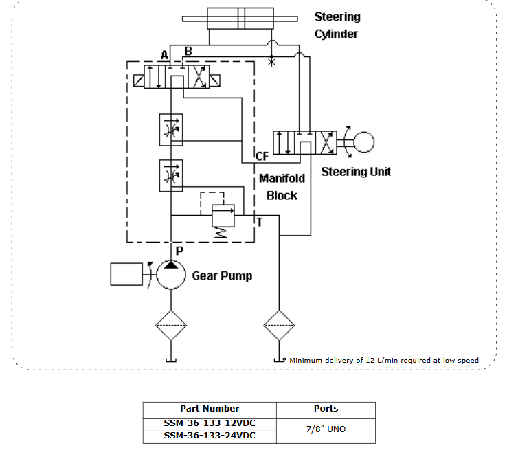
STEERING VALVE
SOUTHCOTT have designed and developed a small manifold block which incor-
porates all the functions required to operate an off road vehicle or small ship
steering system.
FEATURES INCLUDE:
A. An inbuilt relief valve to ensure the system is protected against over
pressure.
B. A priority flow regulator to ensure a constant flow of 12 L/min to the
steering transmitter regardless of engine speed.
C. A second priority flow regulator to provide 4 L/min metered flow to an
autopilot controlled solenoid valve. This ensures smooth and precise
steering control from the autopilot.
(NB: AUTOPILOT SYSTEM NOT INCLUDED).
D. Having all these features combined into one block provides easy
installation and reduced installation costs
NB:Standard pressure setting = 100 BAR
Maximum input flow = 30 L/min

