Aidro
PD-QV Series Priority Flow Control with Control Valve Interface/Solenoid Unload Valve & Relief on Regulate Flow
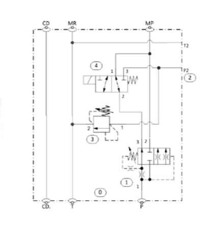
PD-QV Series Priority Flow Control with Control Valve Interface/Solenoid Unload Valve & Relief on Regulate Flow
SKU: PD-QV/MOP-12VDC
- Regular price
- Price: $3,732.00
- Regular price
- List Price:
- Sale price
- Price: $3,732.00
- Unit price
- / per
Sale
Sold out
5% off all orders over $1000 | Ends:
No reviews
Couldn't load pickup availability
Share

PART #: PD-QV/MOP-12VDC
Priority flow control with control valve interface/solenoid unload valve & relief on regulate flow.
Made in Italy by Aidro.
- Max flow 240 LPM
- Max pressure 350 bar
- Preset regulated flow 7 LPM
- Port size 1/2″ BSPP (C,D) 1″ BSPP (MP,MR,P,T)
- Relief range 20-210 bar
- Unload valve normally open 12v DC
- Steel

